18678117114
当前您所在位置:首页>>产品中心>>尾矿处理除铁设备>

管道式浆料除铁器

Program Controlled Automatic Oil-cooling Electromagnetic Slurry Separator Series
管道式浆料除铁器
立即订购在线咨询

咨询热线:18678117114 / 18678117114

产品优势Product advantages

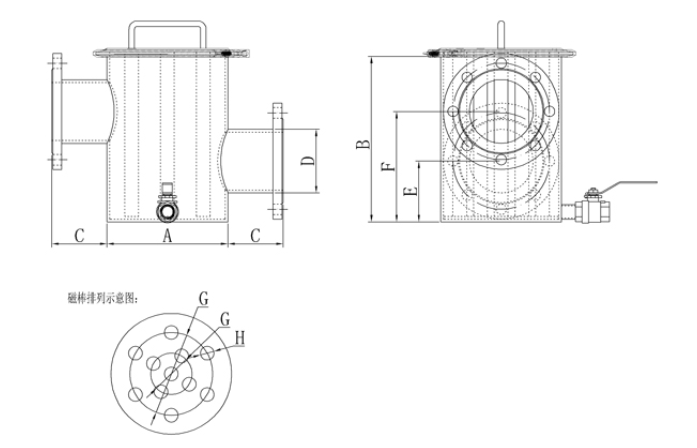
   管道式浆料除铁器(浆料除铁器)是将采用由优质无缝不锈钢管和高B值稀土合金钕铁硼,并采用特殊的制作方法制作而成的磁棒(磁棒),安装在由优质无缝不锈钢管构成的通体中,使用法兰将其安装在生产线输送管道中或出料口处,当含铁的液体或浆料通过时,受到磁力棒的吸引,将含铁的物质牢固的吸附在管壁上以保证设备的完好和产品的安全。


blob.png


产品简介Product description

 本品采用稀土合金钕铁硼作为磁源,使用寿命长,无能耗、无污染、结构简单、使用方便、磁系全格栅式排列,使得强磁区域得以充分利用.多层设汁,层层过滤,除铁更彻底,效果更显著。规格样式可按照客户使用要求及现场情况任意更改定制。

适用范围

   管道式浆料除铁器(浆料除铁器)主要用于清除液体及浆料中的铁磁性杂质,广泛适用于陶瓷、电力、矿业、塑料、化工、橡胶、制药、食品、环保、颜料、染料、电子,冶金等行业。

技术参数Technical Parameters

  管道式除铁器的规格比较多.具体尺寸可按客户买际情况设制造。


blob.png


* 更多参数可致电18678117114了解

* 产量视料浓度压力而定

* 产品参数因更新升级可能会造成偏差,请以实物为准

需求留言Demand Message

您的姓名:
联系电话:
您的需求:
输验证码:
 

产品中心  |   工程案例  |   新闻资讯  |   关于伟焰  |   联系伟焰  |  

Copyright © 2019-2020 山东伟焰电磁设备有限公司 除铁设备 [ 鲁ICP备18011460号-1 ]   免责声明